|
yangyeyong1
中國的電力電氣
級別: 略有小成
|
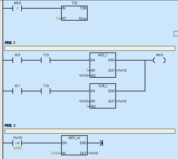
現在的人哪,寫書誤人子弟啊 大家看看吧,也不驗證一下程序就亂出版, 下圖程序的錯誤之處,按照西門子編程規則,可以這樣編程嗎? ![]() [ 此帖被yangyeyong1在2013-06-04 09:31重新編輯 ] |
|---|---|
|
|
|
hxl202319
工資就像大姨媽,一月一次,一周就沒了
級別: 網絡英雄
|
除了左母線接通的,其它沒啥大問題。西門子每個網絡左母線是獨立的,不像三菱是接通的。 |
|
|---|---|---|
|
|
yangyeyong1
中國的電力電氣
級別: 略有小成
|
難道真的沒有人看到問題嗎,,,呵呵 那你就把這段程序下載到PLC,試試吧 |
|---|---|
|
|
|
sjm213
有小知識,無大學問。
級別: 論壇版主
|
T33需要換成100ms級的定時器。 或者通過中間繼電器過渡。 或者用SM時鐘結合邊沿脈沖實現。 |
|---|---|
|
|
|
sjm213
有小知識,無大學問。
級別: 論壇版主
|
關于這個問題的深入探討: http://m.cipm.com.cn/read-gktid-81709.html 或直接看siemens的官方文檔: http://www2.ad.siemens.com.cn/download/Upload/AS/application/A0274.pdf 只不過這個文檔講的是300的定時器 |
|---|---|
|
|
|
yangyeyong1
中國的電力電氣
級別: 略有小成
|
圖片:
圖片:
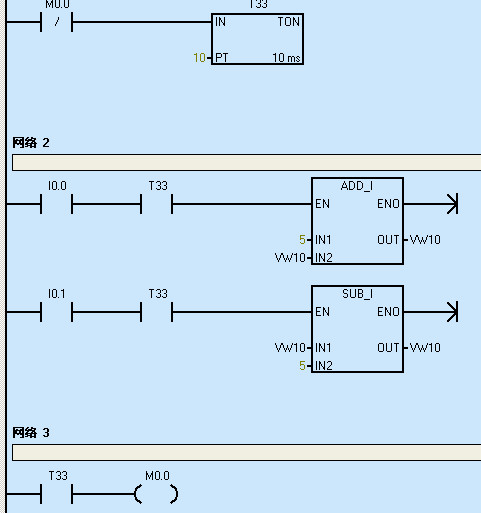
6;樓 高啊 , 三菱和歐姆龍都可以按照書上的這樣編程沒問題的,但是西門子的不行,為什么呢?? 應該這樣就對了 也可以這樣編程 ![]() [ 此帖被yangyeyong1在2012-07-22 17:28重新編輯 ] |
|---|---|
|
|